
Sürüklemeli Tip Yüzey İşlem sistemleri, proses sırasında birbirine temas etmemesi gereken , değeri yüksek ve hassas parçaların işlenmesi için idealdir. Sürüklemeli Tip makinalar, iş parçalarını medya kütlesi boyunca “sürükler”. Hızların, medya boyutlarının, işlem sürelerinin ihtiyaca göre ayarlanabilmesi ve her yöne sağlanan dönüş sayesinde parçalar eşit şekilde işlenir.
Ürün Fotoğrafları
Ürün Detayları
Videolar
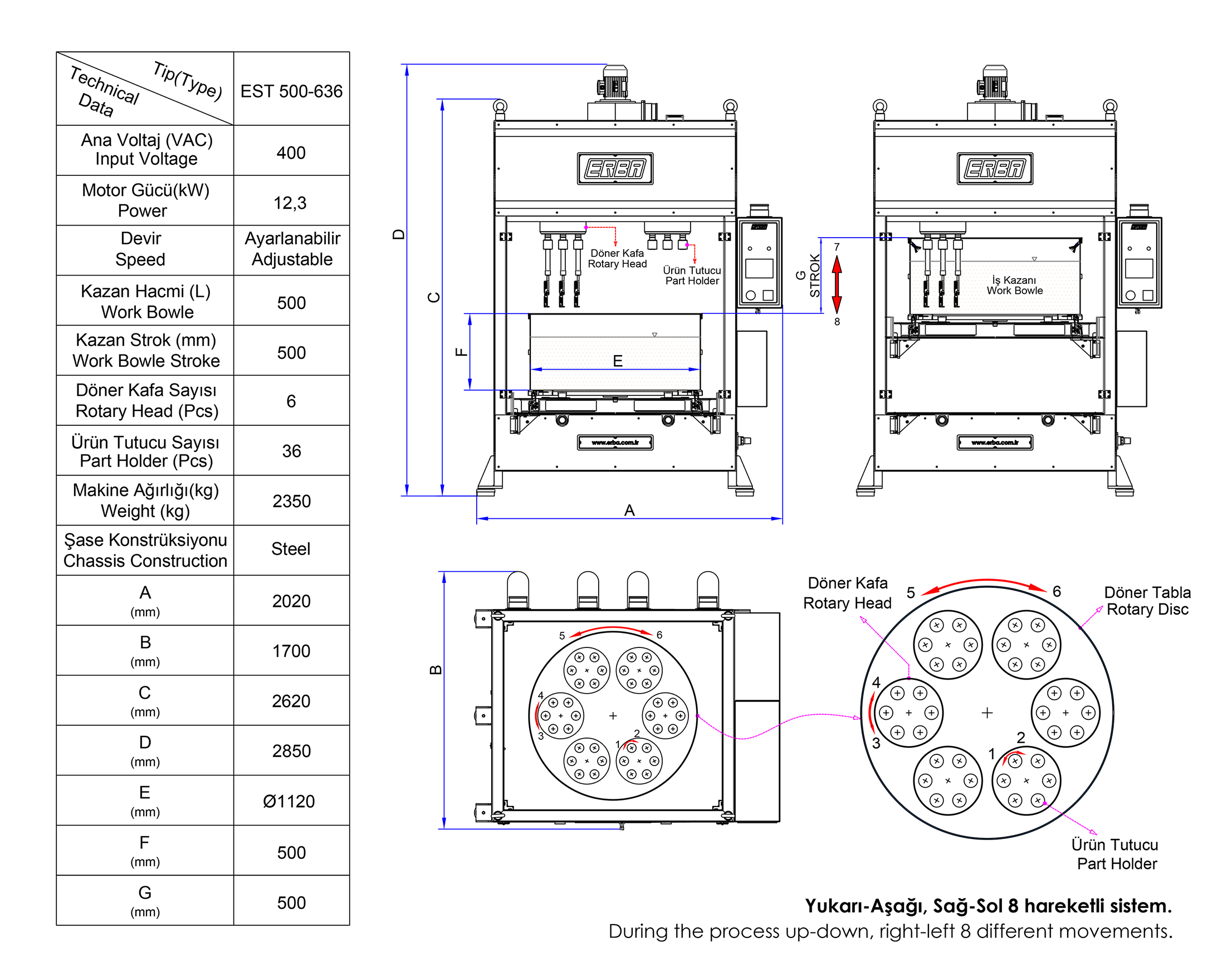
Teknik Detaylar





















