
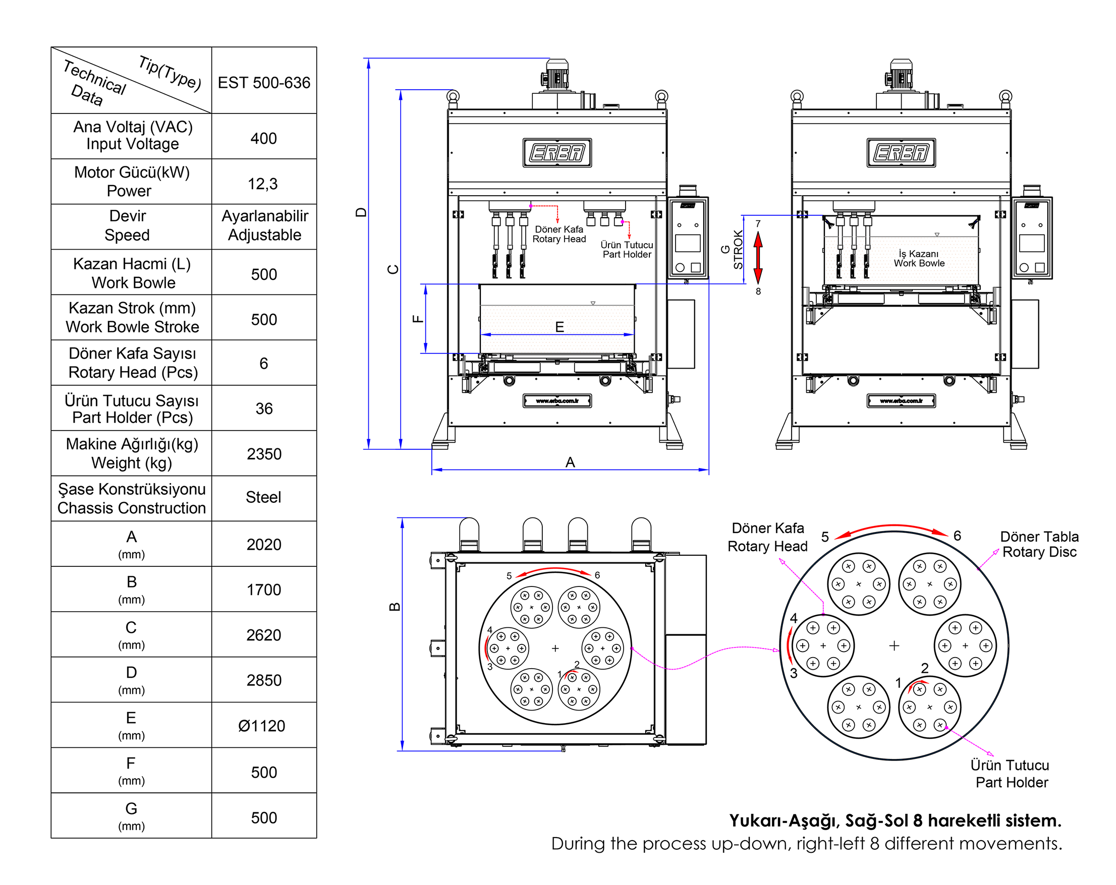
Drag Type Surface Finishing systems are ideal for machining high value and precision parts that must not come into contact with each other during the process. Drag Type machines ‘drag’ the workpieces along the media mass. Parts are processed evenly thanks to the ability to adjust speeds, media sizes, processing times and rotation in all directions.
Product Photos
Product Details
Videos
Technical Details




















